رولبرینگ های بشکه ایی دو ردیفه خاصیت خود تنظیمی دارند و این خاصیت کمک می کند تا به عدم همراستایی حساسیت نشان ندهد و البته که تحمل بارهای شعاعی و محوری را نیز دارند.
دارا بودن ساچمه های قطور با طول بلند همچنین پر تعداد قابلیت تحمل بارهای زیاد این نوع رولبرینگ را نشان می دهد.
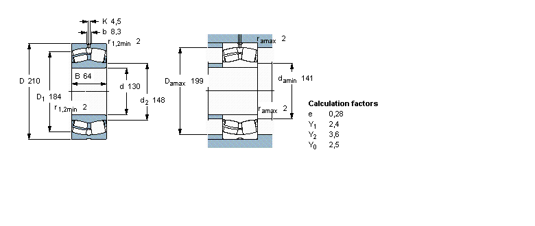
این رولبرینگ ها در دومدل ساده و داخل مخروطی طراحی شده است که در نوع دوم رولبرینگ مستقیم بر روی شفت نصب نمی شود و برای نصب رولبرینگ باید از بوش چاکنت استفاده کرد.
نمونه های جدید با طراحی قفسه نگهدارنده بهینه شده با پسوند EC جهت تحمل بار بیشتر طراحی شده اند.
رولبرینگ 23126 یکی از انواع رولبرینگ های بشکه ایی می باشد که در صنایع مختلف مورد استفاده قرار می گیرد.در برند SKF این شماره فنی با کد 23126CC/W33.C3 مشخص می شود که حروف CC مشخص کننده قفسه آهنی و W33 نشان دهنده شیار پشت بلبرینگ می باشد حرف C3 نیز مانند بقیه موارد نشان دهنده دور بالا بودن بلبرینگ ها است.
این رولبرینگ همانطور که در بالا اشاره شده از قفسه فولادی تولید شده است و بدون بوش چاکنت روی شفت قرار می گیرد در نوع دیگر که داخل آن مخروطی طراحی شده است با کد 23126CCK/W33.C3 نمایش داده می شود که این رولبرینگ برای نصب نیاز به بوش چاکنت دارد.
در برند FAG این رولبرینگ با قفسه برنجی تولید می شود که شماره فنی آن به صورت 23126MB نمایش داده می شود حروف MB نشان دهنده قفسه برنجی بلبرینگ و رولبرینگ ها می باشد و همینطور با قفسه پلی آمید نیز در برند FAG تولید می شود که در آن صورت در انتهای کد آن از حروف TVPB استفاده می شود.
در برخی از انواع رولبرینگ 23126 در انتهای کد از حروف مشخصه C3 استفاده می شود که نشان دهنده دور بالا بودن این رولبرینگ می باشد اگر کد فوق موجود نباشد یعنی رولبرینگ دور بالا نیست.
بهترین برند رولبرینگ 23126 می توان به برند SKF و FAG اشاره کرد که با توجه به کیفیت بالایی که دارند قیمت آنها نیز بالا است اگر به دنبال نمونه هایی با قیمت مناسب تر باشیم باید به دنبال برند های ژاپنی و چینی باشیم که آنها نیز رولبرینگ 23126 و همینطور 23126K را تولید می نمایند.
برای اطلاع از موجودی و قیمت رولبرینگ 23126 با بخش فروش بلبرینگ تماس حاصل فرمایید و یا در نرم افزار واتس اپ پیام بگذارید.(36058907-021)
قطر داخلی (mm) d:
130
قطر خارجی (mm) D:
210
ضخامت (mm) B:
64
سرعت چرخش (rpm):
3200
نیروی قابل تحمل (kN):
780
وزن بلبرینگ (kg):
8.80



